ما
هو المحرك عديم المسفرات (BLDC) Brushless 2122؟
المحرك عديم المسفرات Brushless 2122 هو محرك عالي السرعة بدون فرش (أي بدون مسفرات أو فحمات توصيل داخلية) مصمم خصيصاً للمروحيات الرباعية Quadcopters أو الطائرات بدون طيار Drones أو طائرات الألعاب Toy Planes.
طريقة دوران المحرك عديم المسفرات 2212
المحرك BLDC من النوع ذات الدوران
الخارجي Outrunner،
أي أن الغلاف الخارجي يدور بينما يظل الملف الداخلي ثابتاً. إنه أحد النماذج
المشهورة في الأسواق والأكثر رغبة لأنه منخفض التكلفة. كما وأن هذا النوع من
المحركات يفضل استخدامها في الطائرات الصغيرة بدون طيار أي طائرات الدرون. هذا النموذج
من المحركات متوفر بسرعات مختلفة. لذلك، يجب اختياره بشكل مناسب.
طريقة تسمية المحرك عديم المسفرات Brushless Motor
يتم تسمية المحرك Brushless
(بدون فرش) بهذا الشكل 2212/13T
1000KV، وتعود
التسمية 2212/13T
1000KV الى التالي
|
الرمز أو المعلمة |
الوصف |
معلومات إضافية |
|
22 |
قطر المحرك (22 ملم في
حالتنا تلك) |
مع قطر أكبر سيكون لدينا المزيد من عزم
الدوران. لذلك، يفضل أن يتم اختيار قطر أكبر لعزم دوران أعلى. |
|
12 |
ارتفاع المحرك (12 ملم في حالتنا تلك) |
الارتفاع مفضل هنا. |
|
13T |
عدد لفات الملف لكل قطب (13
لفة لكل قطب هنا) |
عدد أقل من الدورات يعني سرعة عالية (أعلى)،
ولكن بالمقابل عزم دوران أقل (القوة). وبالمثل، فإن عدد الدورات الأعلى يعني
سرعة أقل ولكن المزيد من عزم الدوران. لذلك، اختر عدد لفات أعلى عند رفع المزيد من
الوزن. |
|
1000KV |
عدد دورات المحرك لكل فولت لكل دقيقة (أي 1000 دورة يدور المحرك
هنا لكل واحد فولت). إذا تم تزويد المحرك بفولتية مقدارها 10 فولت، سيتم دوران
المحرك بقدر 10000 دورة في الدقيقة الواحدة (أي 10000 RPM).
|
كلما زاد الجهد، كان أداء الدفع (Thrust)
في المحرك أعلى. |
أسماء أخرى للمحرك عديم المسفرات
المحرك عديم
الفرش (الفراش)، محرك الدرون، محرك برشلس، محرك الـ Brushless، Brushless Motor.
أطراف أسلاك التوصيل الخاصة بالمحرك عديم المسفرات (BLDC) Brushless 2122
يحتوي محرك الـ Brushless
هذا، على ثلاثة دبابيس أو أطراف توصيل. يتم توضيح العلاقة الداخلية بين ثلاثة منهم
في الشكل التالي
الجدول التالي
يوضح وصف ووظيفة كل سلك من أسلاك التوصيل الخاصة بالمحرك عديم المسفرات
(BLDC) Brushless 2122
|
رقم طرف التوصيل |
الوصف والوظيفة |
|
R أو L1 |
يتصل بالملف الأول Winding 1 أو الطور الأول Phase
1 |
|
Y أو L2 |
يتصل بالملف الأول Winding 2 أو الطور الأول Phase
2 |
|
B أو L3 |
يتصل بالملف الأول Winding 3 أو الطور الأول Phase
3 |
ميزات ومواصفات المحرك عديم المسفرات (BLDC) Brushless 2122
- جهد التشغيل يتراوح من 7.2 فولت إلى 12 فولت (أي من 2 الى 3 بطاريات Li-Poly أو نيكل كادميوم)
- تيار الحمل: 00.5 أمبير.
- أقصى حد للتيار: 13 أمبير لمدة 60 ثانية.
- أقصى حد للاستهلاك بالواط: 150 واط.
- وزن المحرك من 50 الى 60 جرام.
- أقصى درجة حرارة أثناء التشغيل: 80 درجة مئوية.
- تحكم كامل وشامل في السرعة بسبب التوصيل ذات الثلاث مراحل.
- يدوم لعمر طويل بسبب عدم وجود قطع داخلية متحركة أي لا يوجد أي نوع من الاحتكاك.
لا توجد معايير صناعية لهذه المحركات بدون فرش.
أجهزة الشركة المختلفة لها تصنيفات مختلفة قليلاً. يجب على المرء التحقق من ورقة
بيانات محرك BLDC لمزيد
من المعلومات حول طراز معين.
أين يستخدم المحرك BRUSHLESS MOTOR 2122
فيما يلي بعض الأسباب التي تؤدي الى اختيار
محرك البرشلس BLDC 2212
بدلاً من اختيار المحركات الكهربائية الأخرى:
- يتم استخدام المحرك Brushless 2212 عندما تكون تكلفة المشروع منخفضة. فالمحرك 2212 هو واحد من أرخص المحركات وأكثرها قوة في السوق. إنه متوفر في أي سوق إلكتروني.
- من السهل التعامل مع العديد من وحدات التشغيل المتوفرة للمحرك 2212. باستخدام هذه الوحدات، يمكننا التحكم بسهولة في سرعة المحرك بدون فرش Brushless (أي عديم المسفرات).
- بسبب التوصيلات ثلاثية الطور، يمكننا التحكم في سرعة المحرك بشكل أكثر دقة وسلاسة أيضاً.
- تعد الكفاءة أيضاً، أحد أسباب اختيار هذا المحرك. فكفاءة المحرك تعتبر جيدة بالنظر إلى تكلفة الشراء.
كيفية وطريقة استخدام BRUSHLESS MOTOR 2122
كما ذكرنا سابقاً، فإن المحرك يعمل بثلاث مراحل
والتحكم فيه ليس بالأمر السهل. فهو ليس مثل محرك DC العادي، حيث يمكنك توصيل
المحرك مباشرة بالطاقة لجعله يدور. نحن بحاجة إلى اتباع نمط معين لتشغيل المراحل
الثلاث للمحرك لجعله يعمل.
للاتجاه الأمامي، نحتاج إلى اتباع الجدول أدناه (R,Y,B) أو (A,B,C)
|
STEP |
1 |
2 |
3 |
4 |
5 |
6 |
7 أو 1 |
|
POSITIVE |
A |
A |
B |
B |
C |
C |
A |
|
GROUND |
B |
C |
C |
A |
A |
B |
B |
|
OPEN |
C |
B |
A |
C |
B |
A |
C |
من أجل الاتجاه العكسي، نحتاج إلى الذهاب إلى
الخطوة 6 (STEP 6)،
الخطوة 5 (STEP 5)،
...، الخطوة 1 (STEP 1) في
الجدول أعلاه.
ولتحقيق أو تمثيل مبدأ عمل محرك الـ Brushless
في الجداول أعلاه، قم بالنظر والتأمل في الدائرة البسيطة الموضحة أدناه
في الدائرة التي في الأعلى، لدينا ستة مفاتيح
تشكل معاً جسر H
أي H-BRIDGE.
الدائرة متصلة بثلاث مراحل من المحرك كما
هو موضح في الدائرة أعلاه. تتم قيادة خطوات التشغيل للمحرك، خطوة بخطوة عن طريق
المفاتيح على النحو التالي.
- الخطوة الأولى (STEP 1):
المفتاح SW1
والمفتاح SW4
مغلقان (حيث أن SW1
– الموجب، SW4 – الأرضي). الأمر الذي يجعل
الملف w1 والملف w2
داخل المحرك مزوداً بالطاقة الكهربائية، ويجعل المحرك يخطو خطوة
كاملة.
- الخطوة الثانية (STEP 2):
المفتاح SW1
والمفتاح SW6
مغلقان (حيث أن SW1
– الموجب، SW6 – الأرضي). الأمر الذي يجعل
الملف w1 والملف w3
داخل المحرك مزوداً بالطاقة الكهربائية، ويجعل المحرك يخطو خطوة
كاملة.
- الخطوة الثالثة (STEP 3):
المفتاح SW3
والمفتاح SW6
مغلقان (حيث أن SW3
– الموجب، SW6 – الأرضي). الأمر الذي يجعل
الملف w2 والملف w3
داخل المحرك مزوداً بالطاقة الكهربائية، ويجعل المحرك يخطو خطوة
كاملة.
- الخطوة الرابعة (STEP 4):
المفتاح SW3
والمفتاح SW2
مغلقان (حيث أن SW3
– الموجب، SW2 – الأرضي). الأمر الذي يجعل
الملف w2 والملف w1
داخل المحرك مزوداً بالطاقة الكهربائية، ويجعل المحرك يخطو خطوة
كاملة.
- الخطوة الخامسة (STEP 5):
المفتاح SW5
والمفتاح SW2
مغلقان (حيث أن SW5
– الموجب، SW2 – الأرضي). الأمر الذي يجعل
الملف w3 والملف w1
داخل المحرك مزوداً بالطاقة الكهربائية، ويجعل المحرك يخطو خطوة
كاملة.
- الخطوة السادسة (STEP 6):
المفتاح SW5
والمفتاح SW4
مغلقان (حيث أن SW5
– الموجب، SW4 – الأرضي). الأمر الذي يجعل
الملف w2 والملف w3
داخل المحرك مزوداً بالطاقة الكهربائية، ويجعل المحرك يخطو خطوة
كاملة،
وهكذا.
أما للدوران بالاتجاه العكسي، كل ما علينا فعله
هو البدء بالعكس أي سننتقل من الأسفل أي الخطوة الأخيرة السادسة (STEP 6)
إلى الأعلى أي الخطوة الأولى (STEP 1).
تطبيقات واستخدامات المحرك
عديم
المسفرات (BLDC) Brushless 2122
- طائرات بدون طيار (الدرون) Drones.
- الطائرات العمودية ذات الأربع مراوح QUADCOPTERS.
- علم الروبوتات Robotics.
- طائرات الألعاب Toy Planes.
- مشاريع الهوايات Hobby Projects.
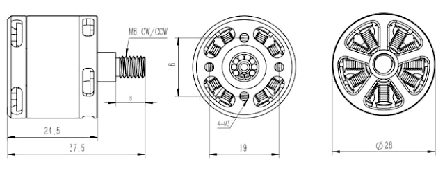
أبعاد المحرك عديم المسفرات (BLDC) Brushless 2122
الشكل التالي يوضح أبعاد المحرك عديم المسفرات (BLDC) 2122 بوحدة الملي متر



