ما هو محرك الـ Stepper الخطوي؟
هو عبارة عن محرك كهربائي، يعمل على فرق جهد مقداره 5 فولت، يشمل على خمسة أطراف توصيل كما هو موضح في الشكل أدناه
أطراف أسلاك توصيل المحرك الخطوي 28BYJ-48
الجدول التالي يوضح وصف ووظيفة كل سلك من أسلاك
التوصيل الخاصة بالمحرك الخطوي 28BYJ-48
|
رقم
السلك |
اسم
السلك |
لون
السلك |
وصف
وظيفة السلك |
|
1 |
الملف 1 |
برتقالي Orange |
يحتوي
هذا المحرك على أربع ملفات. يتم توصيل أحد طرفي جميع الملفات بسلك + 5 فولت (أحمر)
ويتم سحب الطرف الآخر من كل ملف بألوان السلك البرتقالي والزهري والأصفر والأزرق
على التوالي. |
|
2 |
الملف 2 |
زهري Pink |
|
|
3 |
الملف 3 |
أصفر Yellow |
|
|
4 |
الملف 4 |
أزرق Blue |
|
|
5 |
+ 5 فولت |
أحمر Red |
يجب
أن نوفر + 5 فولت لهذا السلك، ليمر هذا الجهد عبر الملف المؤرض. |
ميزات المحرك الخطوي 28BYJ-48
المواصفات الفنية لمحرك الستبر Stepper الخطوي تكمن في:
- فرق الجهد الذي يعمل عليه: 5 فولت.
- عدد المراحل Phases: 4 مراحل.
- زاوية الخطوة Stride Angle: 5.625 درجة / 64
- قدرة السحب في عزم الدوران: 300 gf.cm
- الطاقة المعزولة (المستثناة) Insulated Power: 600VAC/1mA/1S
- الملف المستخدم: 4 ملفات أحادية القطب ذات خمسة أطراف توصيل unipolar 5 lead coil.
ملاحظة: يمكن العثور على المزيد من المواصفات
الفنية والبيانات الخاصة بالمحرك الخطوي بورقة البيانات الخاصة به (Data Sheet).
محركات خطوية أخرى
- Nema17 (1.6kgcm)
- Nema17 (4.2 kgcm)
أنواع محركات كهربائية أخرى
محرك DC،
محرك DC 12V، محرك سيرفو، محرك BLDC
أسماء أخرى للمحرك الخطوي
- المحرك السائر.
- محرك ستبر.
- Stepper Motor.
- محرك الخطوة.
أين يستخدم المحرك الخطوي 28BYJ-48 Stepper
Motor ؟
المحرك السائر (الخطوي) هو من أكثر المحركات الكهربائية
استخداماً وخاصة ذات الطراز هو 28BYJ-48. يمكنك العثور على
هذه المحركات (أو ما يكافئها) في محركات أقراص الـ DVD، وكاميرات الحركة
والعديد من الأماكن الأخرى. يحتوي المحرك على ترتيب أحادي القطب مكون من 4 ملفات. ويتم
تصنيف كل ملف على أنه + 5 فولت ومن ثم يسهل التحكم فيه باستخدام أي متحكمات أساسية.
تتميز هذه المحركات بزاوية خطوة تبلغ 5.625 درجة / 64، وهذا يعني أن المحرك سيتعين
عليه القيام بـ 64 خطوة لإكمال دورة واحدة ولكل خطوة ستغطي 5.625 درجة وبالتالي يكون
مستوى التحكم مرتفعاً أيضاً. ومع ذلك، فإن هذه المحركات تعمل فقط بجهد مقداره 5 فولت،
وبالتالي لا يمكنها توفير عزم دوران عالٍ، ولتطبيق عزم الدوران العالي، يجب أن تفكر
في محركات أخرى مثل Nema17.
لذلك إذا كنت تبحث عن محرك خطوي صغير الحجم، وسهل الاستخدام مع عزم دوران لائق، فإن
هذا المحرك هو الخيار المناسب لك.
كيفية وطريقة استخدام المحرك الخطوي 28BYJ-48 Stepper Motor
تستهلك المحركات الخطوية هذه تياراً عالياً، وبالتالي
فإن دارة المحرك المتكاملة (IC Driver) مثل الأي سي ULN2003 هو شيء إلزامي. ولمعرفة كيفية
جعل هذا المحرك يدور، يجب أن ننظر في مخطط الملف أدناه أولاً
كما نرى، فإن هناك أربع ملفات في المحرك ونهاية
واحدة من كل ملف مرتبطة بـ +5 فولت (الأحمر) والأطراف الأخرى (برتقالي، وردي (زهري)،
أصفر وأزرق) يتم إخراجها كأسلاك توصيل خارجية. يتم تزويد السلك الأحمر دائماً بمصدر
ثابت +5 فولت، ويكون دور خط الـ +5 فولت هو تنشيط الملف المار من خلاله، فقط إذا تم
تأريض الطرف الآخر للملف. لذلك، يمكن عمل محرك متدرج (ذات خطوات - خطوي) ويدور فقط
إذا تم تنشيط الملفات (أي تأريض كل منها) في تسلسل منطقي ومتتابع. يمكن برمجة هذا التسلسل
المنطقي باستخدام متحكم دقيق Microcontroller (مثل الأردوينو) أو عن طريق
تصميم دائرة رقمية خاصة لتلك الغاية. يظهر التسلسل الذي يجب تشغيل كل ملف به في الجدول
أدناه. هنا يمثل العدد "1" الملف عند + 5 فولت، ونظراً لأن كلا طرفي الملف
عند + 5 فولت (الأحمر والطرف الآخر) فلن يكون هنالك فرقاً في الجهد، ولن يتم تنشيط
الملف. وبالمثل، يمثل العدد "0" الملف عند وصله بالطرف الأرضي، وعليه سيكون
أحد طرفيه + 5 فولت والآخر مؤرض (0 فولت)، ويصبح هنالك فرقاً في الجهد، ويتم تنشيط
الملف.
|
|
تسلسل
الدوران مع اتجاه عقارب الساعة |
|||||||
|
ألوان
أسلاك المحرك |
الخطوة
(1) |
الخطوة
(2) |
الخطوة
(3) |
الخطوة
(4) |
الخطوة
(5) |
الخطوة
(6) |
الخطوة
(7) |
الخطوة
(8) |
|
السلك
البرتقالي |
0 |
0 |
1 |
1 |
1 |
1 |
1 |
0 |
|
السلك
الأصفر |
1 |
0 |
0 |
0 |
1 |
1 |
1 |
1 |
|
السلك
الزهري |
1 |
1 |
1 |
0 |
0 |
0 |
1 |
1 |
|
السلك
الأزرق |
1 |
1 |
1 |
1 |
1 |
0 |
0 |
0 |
|
السلك
الأحمر (+5 فولت) |
1 |
1 |
1 |
1 |
1 |
1 |
1 |
1 |
تطبيقات واستخدامات المحرك الخطوي 28BYJ-48
- ماكينات الـ CNC.
- آلات التحكم الدقيقة.
- كاميرات المراقبة.
- مشغلات الفيديو.
- محركات إمالة المرآة الجانبية للسيارة.
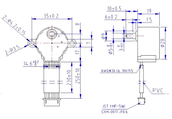
أبعاد المحرك الخطوي 28BYJ-48
الشكل التالي يوضح أبعاد المحرك الخطوي 28BYJ-48 بوحدة الملي متر


